Capteur de force annulaire traction / compression - ±100 à ±600 KN
- Etendue de mesure : ±100 kN à ±600 kN
- Mesure en traction/compression
- Précision : ±1%
- Non-répétabilité : ±0.1 % PE
- Grand alésage et faible hauteur
- Température de fontionnement : 0 à 60 °C
- Protection Class: IP 60
- Sortie : 1 mV / V
- Option température : -40 à 150°C
- Construction: Acier inoxydable/ Aluminum
- Sortie: Câble 3m
Présentation
Le capteur de force LWPF2 permet la mesure de charges de compression élevées (jusqu'à ±600 KN) dans un très faible encombrement. La hauteur est de seulement 35mm, et son grand alésage permet le passage d'un vérin, d'un arbre au travers du capteur.
La précision est de l'ordre de 1% de la pleine échelle. La protection à la surcharge est de 150%, et la plage de température de fonctionnement, en standard à 0-60°C, peut être étendue à -40/+150°C en option.
Spécifications

Intégration
L'installation dans la machine et l'introduction de l'effort sont réalisés via les 2 brides comportant chacune 24 taraudages. Cette liaison, rigide, garantit précision et rigidité pour les essais dynamiques.
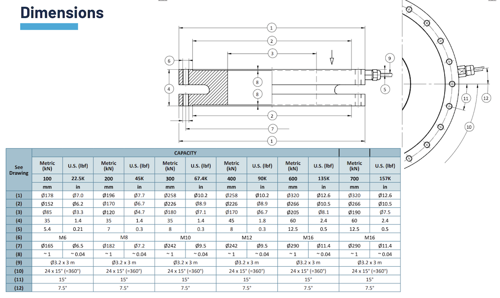
Dimensions

Raccordement électrique

Acquisition de données
Le capteur de force LWPF2 est alimenté entre 2 et 12 Vcc. Possibilité d'obtenir une chaîne de mesure complète et configurée en ajoutant un afficheur, conditionneur. ou module d'acquisition:
| Afficheur | Afficheur | Afficheur | Conditionneur analogique | Conditionneur analogique | Conditionneur analogique | Module d'acquisition |
|---|---|---|---|---|---|---|
| GSV-2TSDI | MICRA-M | 9840 | PMI-520AJ | GSV-1A | GSV-6K | GSV-3USB |
| Afficheur 24 bits avec fonction acquisition | Afficheur simple | Afficheur numérique haute précision 1 ou 2 voies | Conditionneur analogique de précision sortie tension ou courant | Conditionneur analogique IP66 sortie +/-10v ou 4-20mA ou 12±8mA | Conditionneur en ligne sortie +/-10v ou 4-20mA ou 12±8mA | Module d'acquisition USB |
Applications
- Mesure de force de serrage
- Essais matériaux
- Caractérisation mécanique en génie civil
- Mesure de précontraintes sur assemblage vissé
- Mesure d'effort de presse
- Type de capteur
- Rondelles de charge
- Précision (erreur totale)
- 1 %
- Non linéarité (% PE)
- ± 0.5 %
- Hystérésis
- 0.5 % FS
- Non-répétabilité
- 0.1 % FS
- Sensibilité au Zéro
- 0.01 %PE/°C
- Signal de sortie
- 20 mV/V
- Résistance du pont
- 700 Ω
- Tension d'alimentation
- 10 Vcc
- Direction de mesure
- Compression
- Surcharge
- 150 %PE
- Matériau
- Acier
- Classe Protection [IPxx]
- IP42
- Plage d'effort à mesurer
- > 250 kN
- Application
- OEM
Dimensions

Câblage

Options de configuration
- Longueur de câble
- Connecteur spécifique
- Compensation en température étendue
- Température de fonctionnement
- Calibration ISO 17025
Conditionneur / Afficheur
- Conditionneur 1 voie : GSV-6K (en ligne), GSV-1H (Rail DIN), GSV-1M (IP67) ou GSV-6L (miniature)
- Afficheur 1 voie : TRA-240 (simple) ou GSV-2MSDI (avec fonction enregistreur autonome)
- Conditionneur / Afficheur de table GSV-2TSDI
- Conditionneur 4 voies GSV-1A4