Axe dynamométrique configurable - 0-100 kg à 0-1500 tonnes
- Axe dynamométrique instrumenté pour mesure de charge
- Etendues de mesure standard : 0.5, 1, 2.5, 3.5, 6.5, 15, 25, 50, 100, 250, 500, 750, 1000, 1500 tonnes
- Non-linéarité : 0.2 % à 1.5% de la pleine charge
- Signal de sortie: 1.5 mV/V (ou amplifié en option)
- **Dimensions: spécifiques, selon contraintes de l'application **
- Protection à la surcharge : 150%
- Limite avant rupture : > 300% de la capacité nominale
- Contruction : inox IP67
- Température de fonctionnement : -20 à 70°C
- Connectique : Câble 5 m 4 fils ou connecteur
- Options: Ampli intégré, ATEX
Présentation
L'axe instrumenté LPB s'installe en lieu et place de l'axe qu'il remplace, et est conçu pour la mesure / surveillance en temps réel des charges dans une grande variété d'applications telles que les grues, les treuils, palans, ponts roulants, l'instrumentation de manilles ou de paliers.
La gamme standard est disponible en 14 capacités nominales commençant à 500kg jusqu'à 1500 Tonnes, avec une précision de mesure de l'ordre de 1% de la pleine échelle. Le signal de sortie est de 1,5 mV / V d'excitation (5 ou 10V). La protection contre les surcharges est de 150% de la plage de mesure, la limite de rupture est supérieure à 300% de la plage nominale.
Spécifications

Installation
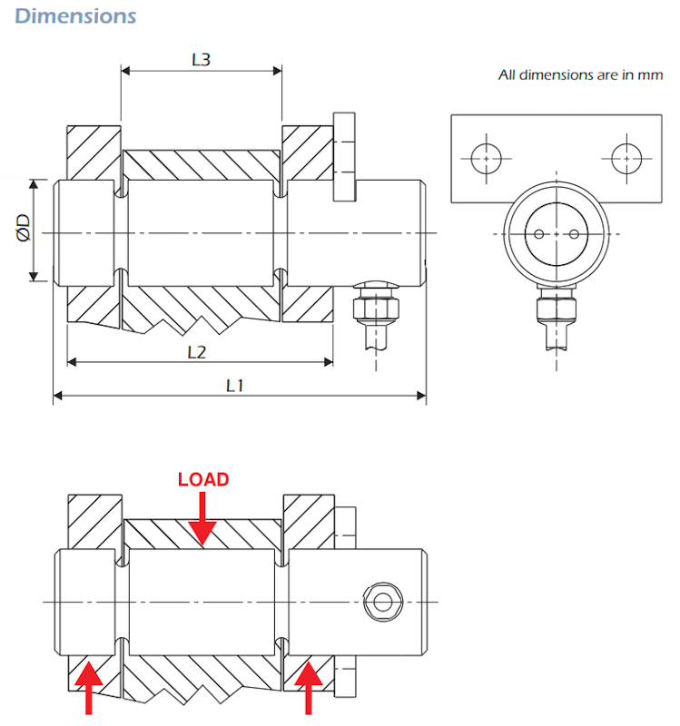
L'axe LPB se monte en lieu et place de l'axe standard dans la pièce d'origine, et mesure les forces de traction appliquées sur le cylindre central par cisaillement. L'axe est généralement fourni avec une plaque anti-rotation et un câble de 5 m. L'axe dynamométrique LPB est compatible pour un usage en extérieur, avec un corps en acier inoxydable durci IP67, et une plage de température de fonctionnement de -20 à + 70 ° C. Le signal de sortie (1,5 mV/V) peut être amplifié en option (sortie 4-20mA, 0-5V, 0-10V ou RS-485 / Modbus RTU)
Dimensions

Options de configuration
-
étendues de mesure
-
connectique
-
Signal de sortie
-
Conditionnement, acquisition : Afficheur, Conditionneur ou modules d'acquisition
Applications
- Instrumentation de machines outils
- marine
- levage
- Pesage
- Etendue de mesure Fz
- 3.5t , 6.5t , 15t , 25t , 50t , 100t , 200t , 250t , 500t , 750t , 1000t , 1500t , 0.1
- Précision (erreur totale)
- 1 %
- Non linéarité (% PE)
- ± 0.5 %
- Hystérésis
- 0.25 % FS
- Non-répétabilité
- 0.1 % FS
- Compensation en température
- -20 à 70 °C
- Température utilisation
- -10 à 70 °C
- Sensibilité au Zéro
- 0.01 %PE/°C
- Sensibilité du gain
- 0.01 %/°C
- Sortie analogique
- 0-10 VDC, 0-5 VDC, 4-20 mA, non-amplifié, RS-485
- Signal de sortie
- 1.5 mV/V
- Résistance du pont
- 350 Ω
- Tension d'alimentation
- 5 Vcc
- Connectique
- Câble STC-31V-4 2m 4 fils open
- Surcharge
- 150 %PE
- Matériau
- Acier Inoxydable
- Construction
- Inox
- Classe Protection [IPxx]
- IP67
- Plage d'effort à mesurer
- 5kN - 250 kN, > 250 kN, > 1 MN
- Application
- OEM
Dimensions

Options de configuration
- Calibration en traction et/ou compression
- Longueur de câble
- Connecteur spécifique
- Compensation en température étendue
- Calibration ISO 17025
- Amplification (5VDC, 10VDC, 4-20mA)
- Version immergeable
- TEDS
Conditionneur / Afficheur
- Conditionneur 1 voie : GSV-6K (en ligne), GSV-1H (Rail DIN), GSV-1M (IP67) ou GSV-6L (miniature)
- Afficheur 1 voie : TRA-240 (simple) ou GSV-2MSDI (avec fonction enregistreur autonome)
- Conditionneur / Afficheur de table GSV-2TSDI
- Conditionneur 4 voies GSV-1A4