Couplemètre rotatif à brides | ±0.04 % | ± 100Nm à ± 10kNm | jusqu’à 25 000 tr/min
- Type de couplemètre : couplemètre à brides, dynamique, sans contact
- Etendue de mesure : de ± 100 Nm à ± 10000 Nm
- Classe de précision ≤ ±0,04% PE
- Vitesse de rotation : jusqu'à 25 000 tr/min
- Mesure de vitesse en option
- Signal de sortie : CAN 2.0B, fréquence, ±10 V, Ethernet
- Montage standardisé du rotor : brides DIN (Ø 84 mm à Ø196 mm)
- Stator faible encombrement pour une intégration simplifiée
- Capacité de surcharge : 300%
- Alarmes programmables
- Température de fonctionnement : -20°C à 85°C
- Configuration via interface web
Presentation
Le couplemètre DF plus est une solution de mesure compacte et très précise pour la mesure de couple en rotation jusqu'à 10000Nm. Basé sur une technologie de jauges de contrainte optimisées et une télémétrie numérique 24 bits, il offre une résolution et une stabilité inégalées, même dans des conditions de vitesse extrêmes (jusqu’à 25 000 tr/min en standard, 40 000 tr/min pour la version HS).
Son architecture sans stator annulaire (avec un entrefer jusqu’à 4 mm) élimine les contraintes d’alignement strict, simplifiant l’intégration tout en réduisant les risques de dommages mécaniques. Un canal de surcharge (300% du couple nominal) avec alarme programmable permet de surveiller en temps réel les dépassements de seuil, protégeant ainsi les équipements en aval.

Le système se distingue par sa modularité : les versions DF1 à DF5 plus couvrent des plages de 100 Nm à 10 kNm. Les interfaces de sortie incluent des signaux fréquence (RS422), analogiques (±10 V), CAN 2.0B (2 kHz) et Ethernet, compatibles avec la plupart des systèmes d’acquisition industriels. La configuration s’effectue via une interface web moderne (logiciel TCU Discover fourni), permettant un paramétrage rapide des seuils d’alarme, des filtres numériques et des protocoles de communication.
Spécifications
| Caractéristiques | DF1 plus | DF2 plus | DF3 plus | DF4 plus | DF5 plus |
|---|---|---|---|---|---|
| Plage de mesure | 100–500 Nm | 500 Nm – 1 kNm | 1 – 3 kNm | 4 – 5 kNm | 5 – 10 kNm |
| Diamètre bride | Ø 84 mm | Ø 101,5 mm | Ø 130 mm | Ø 155,5 mm | Ø 196 mm |
| Précision | ≤ ±0,04% FS | ≤ ±0,04% FS | ≤ ±0,04% FS | ≤ ±0,04% FS | ≤ ±0,04% FS |
| Vitesse max sans capteur de vitesse | 21 000 tr/min | 20 000 tr/min | 16 000 tr/min | 15 000 tr/min | 12 000 tr/min |
| Vitesse max avec capteur de vitesse | 14 000 tr/min | 11 000 tr/min | 9 000 tr/min | 8 000 tr/min | 6 500 tr/min |
| Poids approx. | ~2,5 kg | — | — | — | ~20 kg |
| Matériau | titane / acier | acier | acier | acier | acier |
| Protection surcharge | Jusqu’à 300% | Jusqu’à 300% | Jusqu’à 300% | Jusqu’à 300% | Jusqu’à 300% |
| Température de fonctionnement | -20°C à 85°C | -20°C à 85°C | -20°C à 85°C | -20°C à 85°C | -20°C à 85°C |
| Entrefer | 24 VDC | 24 VDC | 24 VDC | 24 VDC | 24 VDC |
| Alimentation | 4 mm | 4 mm | 4 mm | 4 mm | 4 mm |
| Poids approx. | ~2,5 kg | — | — | — | ~20 kg |
| Matériau | titane / acier | acier | acier | acier | acier |
Installation
Conçu pour une intégration aisée, le DF plus adopte des dimensions normalisées DIN (diamètres de bride de 84 mm à 196 mm), garantissant une compatibilité mécanique avec les bancs d’essai existants. Son boîtier compact et sa résistance aux vibrations/accélérations en font un choix privilégié pour les tests de moteurs électriques, transmissions ou pompes.
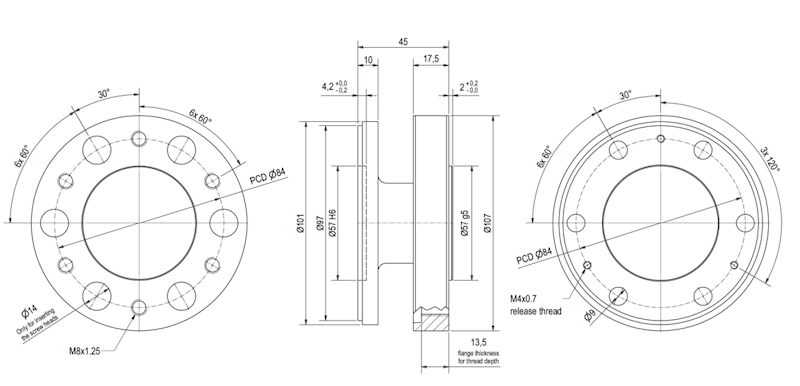
Dimensions
| Caractéristiques | Rotor sans option vitesse | Stator sans option vitesse | Rotor avec option vitesse | Stator avec option vitesse |
|---|---|---|---|---|
| DF1 plus | Plan DF1 plus - rotor no speed | Plan DF1 plus - stator no speed | Plan DF1 plus - rotor avec speed | Plan DF1 plus - stator avec speed |
| DF2 plus | Plan DF2 plus - rotor no speed | Plan DF2 plus - stator no speed | Plan DF2 plus - rotor avec speed | Plan DF2 plus - stator avec speed |
| DF3 plus | Plan DF3 plus - rotor no speed | Plan DF3 plus - stator no speed | Plan DF3 plus - rotor avec speed | Plan DF3 plus - stator avec speed |
| DF4 plus | Plan DF4 plus - rotor no speed | Plan DF4 plus - stator no speed | Plan DF4 plus - rotor avec speed | Plan DF4 plus - stator avec speed |
| DF5 plus | Plan DF5 plus - rotor no speed | Plan DF5 plus - stator no speed | Plan DF5 plus - rotor avec speed | Plan DF5 plus - stator avec speed |
Interfaces signaux de mesure
Le module TCU est l'interface entre le couplemètre et l'automate / système d'acquisition / PC. Le TCU permet de paramétrer le couplemètre (nature des signaux de sortie, alarmes, communication CAN, etc...), et de collecter les signaux de mesure.
Applications
Les capteurs DF plus sont particulièrement adaptés aux secteurs de l’automobile, de l’aérospatial, de l’énergie et de la recherche, où la traçabilité des mesures et la répétabilité sont critiques. Ils excellent dans des applications telles que :
- Caractérisation de moteurs électriques (rendement, cartographie de couple)
- Bancs d’essai de transmissions (durabilité, pertes mécaniques)
- Tests de pompes et compresseurs (optimisation énergétique)
- Mesures de couple sur génératrices (validation de performances)
- Type de capteur
- rotatif
- Etendue de mesure couple
- 100 / 200 / 500 / 1000 / 2000 / 3000 / 5000 / 10000 Nm
- Gamme de mesure
- 100 - 1000 Nm, 1000 - 5000 Nm, 5000 - 20000 Nm
- Montage_Capteur
- Bride
- Vitesse de rotation maxi
- 15000 rpm
- Signal de sortie
- ± 5 VDC, ± 10 VDC, 4-20 mA, 10 kHz ± 5kHz, USB
- Interfaces
- brides
- Sortie régime
- optionel
- Tension d'alimentation
- 24 Vcc
- Température utilisation
- -10 à 70 °C
- Connecteur
- 12pin-connector
- Classe Protection [IPxx]
- IP65
Dimensions
| Caractéristiques | Rotor sans option vitesse | Stator sans option vitesse | Rotor avec option vitesse | Stator avec option vitesse |
|---|---|---|---|---|
| DF1 plus | Plan DF1 plus - rotor no speed | Plan DF1 plus - stator no speed | Plan DF1 plus - rotor avec speed | Plan DF1 plus - stator avec speed |
| DF2 plus | Plan DF2 plus - rotor no speed | Plan DF2 plus - stator no speed | Plan DF2 plus - rotor avec speed | Plan DF2 plus - stator avec speed |
| DF3 plus | Plan DF3 plus - rotor no speed | Plan DF3 plus - stator no speed | Plan DF3 plus - rotor avec speed | Plan DF3 plus - stator avec speed |
| DF4 plus | Plan DF4 plus - rotor no speed | Plan DF4 plus - stator no speed | Plan DF4 plus - rotor avec speed | Plan DF4 plus - stator avec speed |
| DF5 plus | Plan DF5 plus - rotor no speed | Plan DF5 plus - stator no speed | Plan DF5 plus - rotor avec speed | Plan DF5 plus - stator avec speed |
- Plages de mesure personnalisées : Adaptation sur demande pour des valeurs hors catalogue (ex. >10 kNm ou < 100 Nm).
- Vitesse maximale étendue : Option 40 000 tr/min pour la gamme DF plus HS (500–4 000 Nm).
- Interfaces supplémentaires : • Capteur de vitesse magnétique (intégré en option). • Sortie courant (4–20 mA) pour compatibilité avec les systèmes industriels.
- Longueurs de câble : Personnalisables (standard : 2 m ou 5 m, autres longueurs sur demande).
- Matériaux spéciaux : Revêtements ou aciers adaptés aux environnements corrosifs (ex. marine, chimie).
- Unités de mesure : Configuration en Nm, lb-ft, ou kgf·m via le logiciel TCU Discover.
- Certifications : Options pour calibrations DAkkS (accréditation métrologique allemande) ou traçabilité ISO 17025.
- Version RTS (Reference Transducer System) : • Passive (sans électronique embarquée), compatible avec amplificateurs externes (ex. SAFO d’ATESTEO).
- Câbles blindés : Longueurs standard (2 m, 5 m) ou sur mesure, avec connecteurs M12, LEMO, ou Sub-D.
- Connecteurs étanches : Options IP67/IP68 pour environnements humides ou poussiéreux.
- Supports de montage : Brides d’adaptation ou plaques de fixation pour intégration sur bancs existants.
- Logiciel TCU Discover : Outil de configuration et d’acquisition inclus (compatibilité Windows/Linux).
- Module d’affichage portable : Écran numérique pour lecture locale des valeurs (optionnel).
- Kit d’étalonnage : Masses et accessoires pour vérification périodique sur site.
- Boîtier de protection : Pour les versions haute vitesse (DF plus HS), réduisant les risques de déséquilibre.
Pour les besoins spécifiques (ex. intégration dans une chaîne de mesure existante), consulter notre équipe technique pour des solutions sur mesure.