Ref: B0xBG2
Accéléromètre IEPE monoaxial - Base isolée - ±50 à ±1000g
- Technologie : IEPE
- Nombre d’axes : 1
- Sensibilité : 5 ; 10 ; 20; 50 ; 100 mV/g
- Etendue de mesure : ±1000 ; ±500 ; ±250 ; ±100 ;±50g
- Base isolée
- Bande passante (±5%): 1-9k à 1-7k Hz
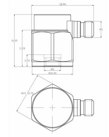
- Dimensions : HEX 12.70×16.00 mm pour 7.5 gr
- Connecteur : 10-32 ou M5 radial
- Température de fonctionnement : -50°C~120°C
- Montage : trou taraudé 10-32 ou M5
Connectez-vous à votre compte pour afficher les prix
Se connecter
?
Généralement livrable sous 3 semaines
Présentation
Les capteurs de la gamme B0xBG2 sont des accéléromètres monoaxes piézoélectriques (IEPE). Disponibles en 5 étendues de mesure (±1000 ; ±500 ; ±250 ; ±100 ; ±50g). Ces capteurs disposent d’une base isolée électriquement. La masse de l’accéléromètre est de 7.5 grammes, le connecteur est un 10-32 radial (M5 en option) et le montage se fait via un trou taraudé 10-32 (M5 en option)
Spécifications

Dimensions
![]()
Applications
- Analyses NVH
- Caractérisations vibratoires
- Analyse modale
- Base isolée électriquement
- Nombre de composantes
- 1 Axe
- Sensibilité [mV/g]
- 10 mV/g, 20 mV/g, 50 mV/g, 100 mV/g
- Etendue de mesure [g]
- 500 / 250 / 1000 / 100 / 50 G
- Bande passante ±5% [Hz]
- 10000 Hz
- Non linéarité (% PE)
- ± 1 %
- Température utilisation
- -50 à 120 °C
- Temp. utilisation [°C]
- -50 à 120°C
- Classe Protection [IPxx]
- IP68
- Matériau
- Titanium
- Application
- Vibratoire, Ferroviaire
![]()
- Calibration ISO-17025
- Etendue de mesure
- Conditionneur
- Pot vibrant portable
- Câbles