Accéléromètre IEPE triaxial - boîtier isolé - ± 50 à ± 500g
- Accéléromètre triaxial IEPE (Integrated Electronic Piezoelectric)
- Etendues de mesure: ± 50g, ± 250g ou ± 500g
- Sensibilité : 10mV/g, 20mV/g ou 100mV/g
- Bande passante à +/- 10% : 0.5 Hz à 8 kHz
- Connectique : connecteur 4 pins 1/4-28
- étanche IP68
- Fréquence de résonance : > 30 kHz à > 50 kHz selon version
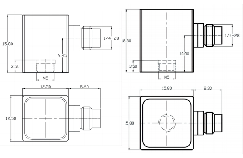
- Dimensions : 12.5x12.5x15.8 mm (hors connecteur)
- Installation : taraudage M5 ou collage
- Masse : 9,5 à 18 grammes selon version
- Température de fonctionnement: -40° to +120°C
- Câble compatible configurable ici
Présentation
Le B0xYG1 est un accéléromètre triaxe piézoélectrique (IEPE) miniature durci (IP68, résistance aux chocs de 1000 à 5000 g selon version, température de fonctionnement: -40 à 120 °C) conçu pour la caractérisation vibratoire de composants ou de structures. 3 étendues de mesure sont disponibles : ± 50g, ± 250g et ± 500g par axe, la bande passante atteint les 8 kHz à +/- 5%.
Spécifications
| Modèle | B02YG1 | B03YG1 | B06YG1 |
|---|---|---|---|
| Sensibilité | 10 mV/g | 20 mV/g | 100 mV/g |
| Etende de mesure | 500g | 250 g | 50 g |
| Réponse en fréquence (5%) | 1 Hz à 8 kHz | 1 Hz à 8 kHz | 1 Hz à 8 kHz |
| Réponse en fréquence (10%) | 0,5 Hz à 10 kHz | 0,5 Hz à 10 kHz | 0,5 Hz à 9 kHz |
| Sortie connecteur | 4-pin 1/4-28 | 4-pin 1/4-28 | 4-pin 1/4-28 |
| Masse | 9,5 grammes | 9,5 grammes | 18 grammes |
| Fixation | Trou taraudé M5 | Trou taraudé M5 | Trou taraudé M5 |
| Température de fonctionnement | -40 à +120°C | -40 à +120°C | -40 à +120°C |
| Fréquence de résonance | > 50 kHz | > 50 kHz | > 35 kHz |
Boîtier durci isolé pour environnements CEM sévères
Le B0xYG1 est livré dans un boîtier durci en titane résistant à la corrosion et aux produits chimiques, et fonctionnant sur une plage de températures étendue, allant de -40 ° C à + 120 ° C. La construction est hermétiquement soudée (IP68) et peut résister à des chocs pouvant atteindre 5000 g. Le poids de l'ensemble est de 9,5g à 18gr selon version (hors connectique).
Le B0xYG1 est alimenté par un courant continu 2 à 20 mA (tension: 20-30 VDC), la connectique est réalisée au moyen d'un connecteur 4 pins. Le montage sur l'application est réalisé par vissage (un taraudage central M2.5) ou par collage. Une plaque de montage est incluse pour isolé électriquement l'accéléromètre de son support.
Dimensions

Applications
- Analyse modale
- Test Automobile
- Essais labo
- étude vibratoire / étude de chocs
- Analyse fréquentielle
- études de dimensionnement
- Nombre de composantes
- 3 Axes
- Technologie
- Piezoélectrique (IEPE)
- Type de produit
- Accéléromètre
- Sensibilité
- 10 / 20 / 100 mV/G
- Etendue de mesure linéaire
- 500 / 50 / 250 G
- Bande passante (-3 dB)
- 8000 Hz
- Non linéarité (% PE)
- ± 1 %
- Signal de sortie
- ± 5 VDC
- Température de fonctionnement
- -40 à 120 °C
- Connecteur
- 1/4-28 4-Pin
- Classe de Protection
- IP68
- Matériau
- Titanium
- Etendue de mesure
- 50-500g
- Remarque
- Boîtier isolé

- Certificat d'étalonnage ISO-17025 (en standard, le capteur est fourni avec un certificat standard usine)
- Puce TEDS
- Conditionneur
- Enregistreur
- Câble 3, 6 ou 9m, sorties BNC ou LEMO