Accéléromètre ICP triaxe miniature ±50g à ±1000g - 9.5 x 9.5 x 9.5 mm
- Accéléromètre triaxial IEPE (Integrated Electronic Piezoelectric)
- Etendues de mesure: ± 50, ± 100, ± 250, ± 500g ou ± 1000g
- Sensibilité : 5, 10, 20, 50 ou 100 mV/g
- Bande passante à ±5% : jusqu'à 1Hz à 10kHz
- Sortie tension ±5V par axe
- Connectique : connecteur 4 pins 1/4-28
- étanche IP68
- Fréquence de résonance : > 70 kHz
- Dimensions : 9.5 x 9.5 x 9.5 mm (hors connecteur) à 12.2x12.2x12.2 mm
- Installation : taraudage M2.5 (vis incluse)
- Poids: 3,4g à 7.5gr
- Température de fonctionnement: -50° to +120°C
- Câble compatible configurable ici
Présentation
Le B02Y32 est un accéléromètre triaxe piézoélectrique (IEPE) miniature durci (IP68, résistance aux chocs de 5000 g, température de fonctionnement: -50 à 120 °C) conçu pour la caractérisation vibratoire de composants et de structure en automobile, énergie et aéronautique. L'étendues de mesure est de 500g par axe, la bande passante atteint les 10 kHz à +/- 5%.
Spécifications
| Modèle | B01Y32 | B02Y32 | B03Y32 | B05Y32 | B06Y32 |
|---|---|---|---|---|---|
| Sensibilité | 5 mV/g | 10 mV/g | 20 mV/g | 50 mV/g | 100 mV/g |
| Etende de mesure | 1000g | 500g | 250 g | 100 g | 50 g |
| Réponse en fréquence (5%) | 1 Hz à 10 kHz | 1 Hz à 10 kHz | 1 Hz à 10 kHz | 1 Hz à 8 kHz | 1 Hz à 8 kHz |
| Réponse en fréquence (10%) | 0,5 Hz à 11 kHz | 0,5 Hz à 11 kHz | 0,5 Hz à 11 kHz | 0,5 Hz à 10 kHz | 0,5 Hz à 10 kHz |
| Sortie connecteur | 4-pin 1/4-28 | 4-pin 1/4-28 | 4-pin 1/4-28 | 4-pin 1/4-28 | 4-pin 1/4-28 |
| Masse | 3,3 grammes | 3,4 grammes | 3,5 grammes | 5 grammes | 7,5 grammes |
| Fixation | Trou taraudé M2.5 | Trou taraudé M2.5 | Trou taraudé M2.5 | Trou taraudé M2.5 | Trou taraudé M2.5 |
| Température de fonctionnement | -50 à +120°C | -50 à +120°C | -50 à +120°C | -50 à +120°C | -50 à +120°C |
| Fréquence de résonance | > 70 kHz | > 70 kHz | > 52 kHz | > 45 kHz | > 38 kHz |
Boîtier ultra léger
Le B02Y32 est livré dans un boîtier durci en titane résistant à la corrosion et aux produits chimiques, et fonctionnant sur une plage de températures étendue, allant de -50 ° C à + 120 ° C. La construction est hermétiquement soudée (IP68) et peut résister à des chocs pouvant atteindre 5000 g. Le poids de l'ensemble est de 3,4g.
Le B02Y32 est alimenté par un courant continu 2 à 20 mA (tension: 20-30 VDC), la connectique est réalisée au moyen d'un connecteur 4 pins. Le montage sur l'application est réalisé par vissage (un taraudage central M2.5).
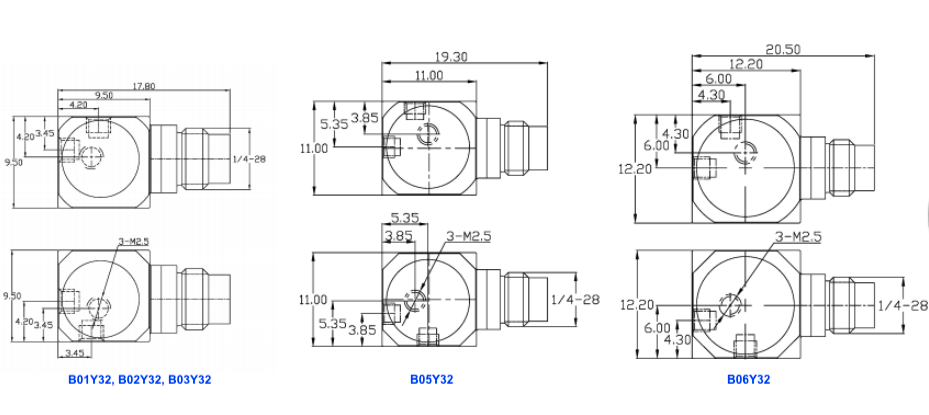
Dimensions

Applications
- Analyse modale
- Test Automobile
- Essais labo
- étude vibratoire / étude de chocs
- Analyse fréquentielle
- études de dimensionnement
- Nombre de composantes
- 3 Axes
- Sensibilité [mV/g]
- 5 mv/g, 10 mV/g, 20 mV/g, 50 mV/g, 100 mV/g
- Etendue de mesure [g]
- 500 G
- Bande passante (-3 dB)
- 8000 Hz
- Non linéarité (% PE)
- ± 1 %
- Température utilisation
- -50 à 100 °C
- Connectique
- câble intégral 1m
- Classe Protection [IPxx]
- IP67
- Matériau
- Titanium
- Poids
- 0.0017
- Application
- Miniature

- Câble 3, 6 ou 9m, sorties BNC
- Connectique
- Position du connecteur
- étendue de mesure
- Certificat d'étalonnage ISO-17025 (en standard, le capteur est fourni avec un certificat standard usine)
- Enregistreur
- afficheur