Ref: B0xB10
Accéléromètre IEPE monoaxial miniature 6-8 grammes - Montage traversant - ± 500 à ± 50g
- Technologie : IEPE
- Nombre d’axes : 1
- Sensibilité : 10 ; 20 ; 50 ; 100 mV/g
- Etendue de mesure : ± 500 ; ± 250 ; ± 100 ; ± 50g
- Montage : installation 360° via trou traversant Ø4.1
- Bande passante (10%) : jusque 12 kHz
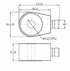
- Dimensions : 18.10×14.20×10.00 mm
- Connecteur : M5 radial
- Masse : 6 à 8 grammes
- Température de fonctionnement : -50 à 120°C
- Matériau : alliage de titane
Connectez-vous à votre compte pour afficher les prix
Connexion
?
Généralement livrable sous 3 semaines
Présentation
L’accéléromètre monoaxe de la série B0xB10 est un modèle miniature.
La masse du capteur est de 6 à 8 grammes pour 18.10×14.20×10.00 mm.
5 étendues de mesures sont disponibles : ± 500 ; ± 250 ; ± 100 ; ± 50g.
Les capteurs disposent d’un trou central traversant permettant une installation à 360°.
Spécifications

Dimensions

Applications
- Essais de contrôle thermique (ESS)
- Analyse modale
- Caractérisation vibratoire
- Environnement restreint
- Essais sur carte électronique, circuit imprimé
- Nombre de composantes
- 1 Axe
- Sensibilité [mV/g]
- 10 mV/g, 20 mV/g, 50 mV/g, 100 mV/g
- Etendue de mesure [g]
- 500 / 50 / 100 / 250 G
- Bande passante ±5% [Hz]
- 10000 Hz
- Non linéarité (% PE)
- ± 1 %
- Température utilisation
- -50 à 120 °C
- Temp. utilisation [°C]
- -50 à 120°C
- Classe Protection [IPxx]
- IP68
- Matériau
- Titanium
- Poids
- 0.006
- Application
- Miniature, Vibratoire

- Calibration ISO-17025
- Etendue de mesure
- Conditionneur
- Pot vibrant portable
- Câbles
Produits associés
G01B02
Conditionneur IEPE multivoies
B0xCM1
Accéléromètre IEPE monoaxial miniature masse 2 grammes - 50 à 1000g
G06A02
Pot vibrant portable - 159.2 Hz
B0xBM1 - B0xBM3
Accéléromètre IEPE miniature "goutte d'eau" 2 grammes - Connecteur M3