Ref: B0xAM6-B0xBM6
Accéléromètre IEPE miniature 3 grammes - connecteur axial ou radial - 50g à 500g
- Accéléromètre monoaxial IEPE miniature
- Etendue de mesure: ± 50g ; ± 100g ; ± 250g ; ± 500g ;
- Sensibilité : 10 mV/g ; 20 mV/g ; 50 mV/g ; 100 mV/g ;
- Bande passante à ±5% : 1-10k Hz (1-12k Hz suivant les modèles)
- Connectique : connecteur 10-32 (ou M5) axial ou radial
- Fixation : adhésif
- Masse : inférieure à 3 grammes
- Température de fonctionnement: -50° à +120°C
Connectez-vous à votre compte pour afficher les prix
Connexion
?
Généralement livrable sous 4 semaines
Présentation
Les capteurs de la gamme B0xAM6-B0xBM6 sont des accéléromètres monoaxes piézoélectriques (IEPE) miniatures. La masse est comprise entre 2 et 3 grammes. Le connecteur est en 10-32 ou M5 et peut être radial (version B) ou axial (version A). Ils sont donc conçus pour les essais sur circuits imprimés ou lorsque l'espace disponible est restreint. Le connecteur est en 10-32 ou M5 et peut être radial (version B) ou axial (version A).
Spécifications
| Modèle | B02BM6 | B03BM6 | B05BM6 | B06BM6 | B05AM6 | B06AM6 |
|---|---|---|---|---|---|---|
| Sensibilité | 10 mV/g | 20 mV/g | 50 mV/g | 100 mV/g | 50 mV/g | 100 mV/g |
| Etende de mesure | 500g | 250g | 100g | 50g | 100g | 50g |
| Réponse en fréquence (5%) | 1 Hz à 10 kHz | 1 Hz à 10 kHz | 1 Hz à 12 kHz | 1 Hz à 10 kHz | 1 Hz à 12 kHz | 1 Hz à 10 kHz |
| Réponse en fréquence (10%) | 0,5 Hz à 11 kHz | 0,5 Hz à 11 kHz | 0,5 Hz à 14 kHz | 0,5 Hz à 12 kHz | 0,5 Hz à 14 kHz | 0,5 Hz à 12 kHz |
| Connectique | Connecteur 10-32 radial | Connecteur 10-32 radial | Connecteur 10-32 radial | Connecteur 10-32 radial | Connecteur 10-32 axial | Connecteur 10-32 axial |
| Masse | 2 g | 2 g | 2.1 g | 2.7 g | 2.1 g | 2.5 g |
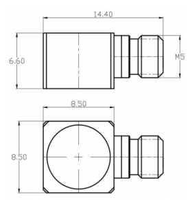
| Dimensions | 13.6×6.6×7.7 mm | 13.6×6.6×7.7 mm | 13.6×6.6×7.7 mm | 14.4×6.6×8.50 mm | ⌀8.60×12.20 mm | ⌀8.60×12.20 mm |
| Fixation | Adhésive | Adhésive | Adhésive | Adhésive | Adhésive | Adhésive |
| Température de fonctionnement | -50 à +120°C | -50 à +120°C | -50 à +120°C | -50 à +120°C | -50 à +120°C | -50 à +120°C |
| Fréquence de résonance | > 55 kHz | > 38 kHz | > 40 kHz | > 38 kHz | > 40 kHz | > 38 kHz |

Dimensions

Applications
- Mesures vibratoires en espace restreint
- Essais sur circuit imprimé
- Test ESS (stress environnemental)
- Nombre de composantes
- 1 Axe
- Sensibilité [mV/g]
- 10 mV/g, 20 mV/g, 50 mV/g, 100 mV/g
- Etendue de mesure [g]
- 50 / 100 / 250 / 500 G
- Bande passante ±5% [Hz]
- 10000 Hz
- Non linéarité (% PE)
- ± 1 %
- Temp. utilisation [°C]
- -50 à 120°C
- Classe Protection [IPxx]
- IP68
- Matériau
- Acier Inoxydable
- Poids
- 0.002
- Application
- Miniature

- Certificat d'étalonnage ISO-17025 (en standard, le capteur est fourni avec un certificat usine)
- Conditionneur
- Rallonge de câble
Produits associés
B0xA57
Accéléromètre ICP industriel ±5 à ±50G
G01A02
Conditionneur IEPE monovoie - low cost - Gain x1 ou x10
B0xCM1
Accéléromètre IEPE monoaxial miniature masse 2 grammes - 50 à 1000g
IEPE-Cable
Câble pour accéléromètres IEPE