Ref: B00Y4x
Accéléromètre IEPE triaxe à trou traversant - Mesures de choc - ± 20000 à ± 2500g
- Technologie : IEPE
- Nombre d’axes : 3
- Application : mesure de chocs
- Sensibilité : 0.25 ; 0.5 ; 1 ; 2 mV/g
- Etendue de mesure : ± 20000 ; ± 10000 ; ± 5000 ; ±
- 2500g
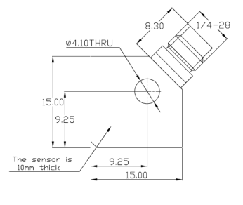
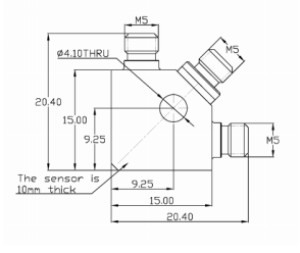
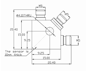
- Montage : installation 360° via trou traversant Ø4.1
- Bande passante (10%) : jusque 10 kHz
- Dimensions : 15×15×10 mm
- Connecteur : 1 X 4-pin 1/4-28 ou 3 X M5
- Masse : 7.8 à 8.5 grammes
?
Généralement livrable sous 3 semaines
Présentation
L’accéléromètre triaxe de la série B00Y4x est adapté au mesure de chocs. 4 étendues de mesures sont disponibles : ± 20000 ; ± 10000 ; ±5000 ; ± 2500g. Suivant le modèle, le capteur peut être équipé d’un capteur 4-pin 1/4-28 ou de 3 connecteurs M5. Les capteurs disposent d’un trou central traversant permettant une installation à 360°.
Spécifications

Dimensions

Applications
- Mesures de chocs
- Essais d’impacts
- Pyrotechnie
- Tests de chutes
- Nombre de composantes
- 3 Axes
- Sensibilité [mV/g]
- 0.5 mV/g, 1 mv/g, 2 mv/g
- Etendue de mesure [g]
- 20000 / 10000 / 5000 / 2500 G
- Bande passante ±5% [Hz]
- 10000 Hz
- Non linéarité (% PE)
- ± 1 %
- Temp. utilisation [°C]
- -50 à 120°C
- Classe Protection [IPxx]
- IP68
- Matériau
- Titanium
- Application
- Choc / Impact

- Calibration ISO-17025
- Etendue de mesure
- Type de connectique
- Conditionneur
- Pot vibrant portable
- Câbles
Produits associés
B02CG1
Accéléromètre ICP monoaxial miniature +/-500G
G01B02
Conditionneur IEPE multivoies
IEPE-Cable
Câble pour accéléromètres IEPE
G06A02
Pot vibrant portable - 159.2 Hz